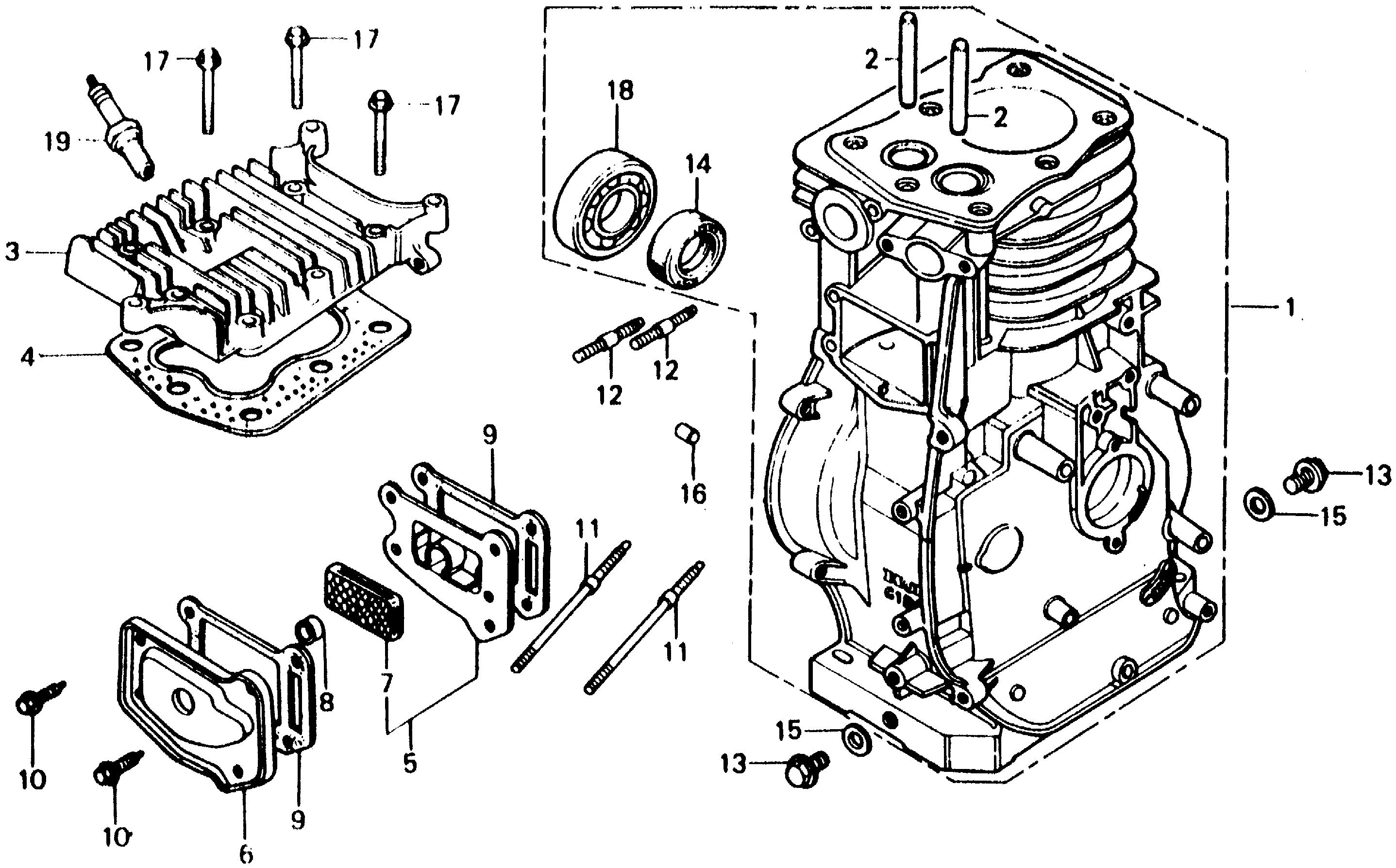
Ref No
Part Number
Description
Serial Range
Qty
Price
Ref No 1
Part Number 12000-887-325
Description CYLINDER ASSY.
Serial Range 1000001 - 9999999
Ref No 2
Part Number 12133-887-306
Description GUIDE, VALVE (OVER SIZE)
Serial Range 1000001 - 9999999
Qty
Price $19.42
Add To Cart
Ref No 2
Part Number 12134-887-305
Description GUIDE, VALVE (OVER SIZE)
Serial Range 1000001 - 9999999
Qty
Price $19.42
Add To Cart
Ref No 3
Part Number 12221-887-315
Description CYLINDER HEAD
Serial Range 1000001 - 9999999
Qty
Price $24.49
Add To Cart
Ref No 4
Part Number 12281-887-306
Description GASKET, CYLINDER HEAD
Serial Range 1000001 - 9999999
Qty
Price $36.98
Add To Cart
Ref No 5
Part Number 12360-ZA3-000
Description CASE, BREATHER
Serial Range 1000001 - 9999999
Ref No 6
Part Number 12361-887-000
Description COVER, TAPPET ROOM
Serial Range 1000001 - 9999999
Qty
Price $16.52
Add To Cart
Ref No 7
Part Number 12367-890-003
Description FILTER, BREATHER
Serial Range 1000001 - 9999999
Ref No 8
Part Number 12369-883-000
Description SEAL, BREATHER
Serial Range 1000001 - 9999999
Qty
Price $4.14
Add To Cart
Ref No 9
Part Number 12375-887-000
Description GASKET, TAPPET COVER
Serial Range 1000001 - 9999999
Qty
Price $3.46
Add To Cart
Ref No 10
Part Number 90013-883-000
Description BOLT, FLANGE (6X12) (CT200)
Serial Range 1000001 - 9999999
Ref No 11
Part Number 90043-883-681
Description BOLT, STUD (6X89)
Serial Range 1000001 - 9999999
Qty
Price $6.78
Add To Cart
Ref No 12
Part Number 90047-883-000
Description BOLT, STUD (8X35)
Serial Range 1000001 - 9999999
Qty
Price $4.86
Add To Cart
Ref No 13
Part Number 90131-896-650
Description BOLT, DRAIN PLUG (12X15)
Serial Range 1000001 - 9999999
Ref No 14
Part Number 91201-Z0T-801
Description OIL SEAL (25X41X6) (NOK)
Serial Range 1000001 - 9999999
Ref No 14
Part Number 91202-883-005
Description OIL SEAL (25X41X6)
Serial Range 1000001 - 9999999
Ref No 15
Part Number 94109-12000
Description WASHER, DRAIN PLUG (12MM)
Serial Range 1000001 - 9999999
Qty
Price $1.50
Add To Cart
Ref No 16
Part Number 94301-08140
Description PIN, DOWEL (8X14)
Serial Range 1000001 - 9999999
Qty
Price $2.74
Add To Cart
Ref No 17
Part Number 95700-08045-08
Description BOLT, FLANGE (8X45)
Serial Range 1000001 - 9999999
Ref No 17
Part Number 95701-08045-08
Description BOLT, FLANGE (8X45)
Serial Range 1000001 - 9999999
Qty
Price $2.78
Add To Cart
Ref No 18
Part Number 96100-62050-00
Description BEARING, RADIAL BALL (6205)
Serial Range 1000001 - 9999999
Ref No 19
Part Number 98076-54716
Description SPARK PLUG (BR-4HS) (NGK)
Serial Range 1000001 - 9999999
Qty
Price $2.98
Add To Cart
Ref No 19
Part Number 98076-54757
Description SPARK PLUG (W14FR-U)
Serial Range 1000001 - 9999999
Qty
Price $3.06
Add To Cart